Multiplicador de par manual con compensación con brazos de reacción recto y acodado | 89049TM-1000
BAHCO

Multiplicador de par manual con compensación con brazos de reacción recto y acodado | 89049TM-1000 de BAHCO

Compartir en tus redes sociales:

Descripción del producto

  • Par de torsión máximo de 1000 Nm 
  • Utilizar siempre con llave dinamométrica (en sentido horario y antihorario) para no exceder la torsión máxima del multiplicador 
  • Precisión ±4 % 
  • Diseño reducido y compacto 
  • Suministrado con brazos de reacción rectos y acodados para mayor versatilidad 
  • Brazo de reacción de cambio rápido con mayor flexibilidad que permite trabajo en 8 orientaciones 
  • 5:1 multiplicación nominal de par dependiente de la reacción. La proporción con el brazo de compensación es 4.8:1; con el brazo recto es 4.9:1 
  • Fabricado en Reino Unido 


Utilice los filtros para elegir el producto que quiere

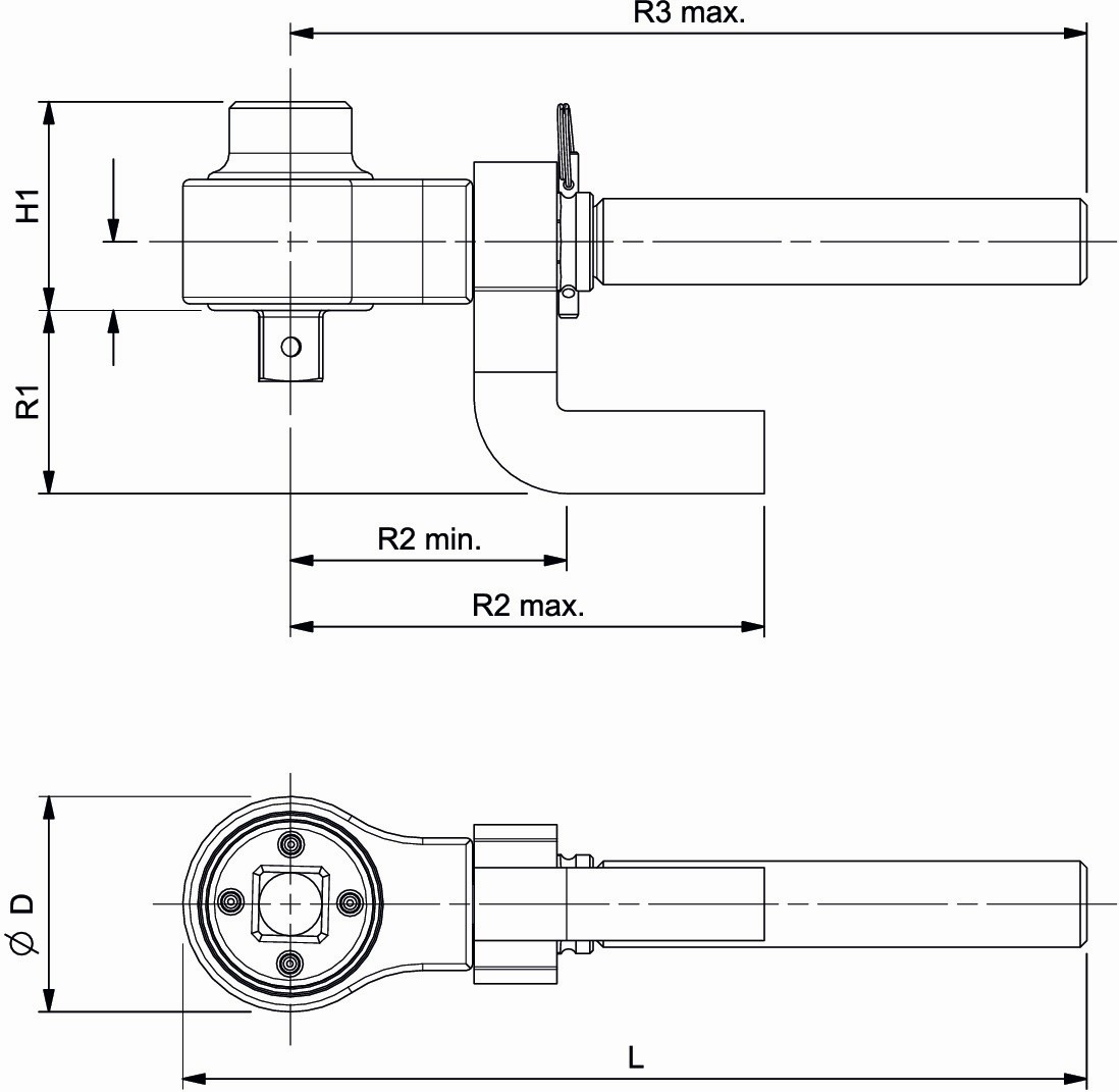
ReferenciaVariantePeso de la varilla de reacciónPeso de la barra de reacciónPAR MÁXIMO DE SALIDACuadradillo hembra ENTRADACuadradillo macho SALIDALongitud, mm LDistancia del tornillo (mm) (1)Cabeza de trabajo del pie de la varillaDistancia de la barraPAR MÁXIMO DE ENTRADARatio de multiplicaciónCabeza de trabajoAnchura de la cabezaDistancia del tornillo (mm) (2)Importe  
89049TM-1000 89049TM-10000.5 kg0.69 kg1000 N·m1/2 in3/4 in273 mm240 mm55 mm21 mm200 N·m5:163 mm65 mm143 mm1963,89€  


Descargas y enlaces